Sensor MEMS IMU/VRU/AHRS con inestabilidad de polarización del giroscopio de 0,3°/H, polarización del acelerómetro de 20 μG.
Las unidades de medición inercial (IMU) de la serie U6488 incorporan giroscopios y acelerómetros de tres ejes para medir la velocidad angular y la aceleración del portador en los tres ejes. Los datos de los giroscopios y acelerómetros, que han sido sometidos a compensación de errores (incluida la compensación de temperatura, la compensación del ángulo de desalineación de la instalación, la compensación no lineal, etc.), se transmiten a través de un puerto serie según el protocolo de comunicación acordado. Estos datos se pueden utilizar para la navegación, el control y la medición dinámica precisos del portador. Este producto utiliza dispositivos inerciales MEMS de alta precisión, que se caracterizan por su tamaño reducido, su gran resistencia a la sobrecarga, su alta fiabilidad y su gran dureza, y es capaz de medir con precisión la velocidad angular y la aceleración de un portador en movimiento incluso en entornos adversos.
La serie U6488 incluye cuatro modelos: U6488-B, U6488-C, U6488-D y U6488-E. El diseño y el rendimiento de la interfaz de los cuatro modelos son uniformes. A excepción del U6488-E, todos ellos incorporan magnetómetros de tres ejes y barómetros digitales.
Número de pieza, :
U6488Pedido (MOQ) :
1Series de productos y parámetros
| Parámetro | U6488-A | U6488-B | Unidad | |
| giroscopios | ||||
| Rango dinámico | ±450 | ±450 | °/s | |
| Estabilidad de sesgo | Varianza de Allan | 1 | 0,8 | °/h |
| 10 s de media (-40~+85 °C, temperatura fija) | 4 | 5 | °/h | |
| Paseo aleatorio | 0.1 | 0,065 | º/√h | |
| Repetición de sesgo | 4 | 5 | °/h | |
| Bais | Cambio de sesgo en todo el rango de temperatura1 | ±0,04 | ±0,05 | °/s |
| Cambio de sesgo en las condiciones de vibración2 | 6 | 6 | °/h | |
| No linealidad del factor de escala | 100 | 100 | ppm | |
| Resolución | 3,052*10⁻⁷ | 3,052*10⁻⁷ | º/s/LSB | |
| Ancho de banda | 200 | 260 | Hz | |
| Acelerómetro | ||||
| Rango dinámico | ±16 | ±20 | g | |
| Estabilidad de sesgo | Varianza de Allan | 0,03 | 0,02 | mg |
| 10 s de media (-40~+85 °C, temperatura fija) | 0,06 | 0,05 | mg | |
| Paseo aleatorio | 0,01 | 0,05 | m/s/√h | |
| Repetición de sesgo | 0,06 | 0,08 | mg | |
| no linealidad del factor de escala | 100 | 100 | ppm | |
| Resolución | 1,221*10⁻⁸ | 1,221*10⁻⁸ | g/LSB | |
| Ancho de banda | 200 | 260 | Hz | |
| Magnetómetro | ||||
| Rango dinámico | ±2 | ±8 | Gauss | |
| Resolución | 120 | 200 | uGauss | |
| Ruido RMS | 10 Hz | 50 | 50 | uGauss |
| Ancho de banda | 200 | Hz | ||
| Barómetro | ||||
| Rango de presión | 450 | 1100 | mbar | |
| Resolución | 0.1 | 0.1 | mbar | |
| Precisión absoluta | 1.5 | 1.5 | mbar | |
| Interfaz de comunicación | ||||
| SPI de 1 canal | Velocidad en baudios | 25 | 25 | megahercio |
| UART de 1 canal | Velocidad en baudios | 230.4 | 230.4 | Kbps |
| Frecuencia de muestreo | SPI | 2000 | 2000 | Hz |
| UART | 200 | 200 | Hz | |
| Características electrónicas | ||||
| Voltaje | 3,3±0,3 | V | ||
| Consumo de energía | 1.5 | W | ||
| Onda ondulante | PÁGINAS | 100 | mV | |
| Características físicas | ||||
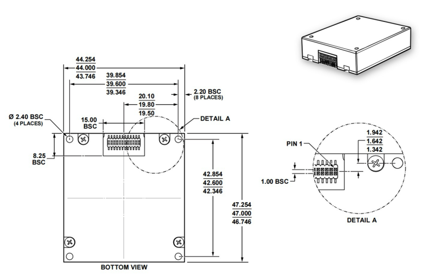
| Dimensión | 47*44*14 | mm | ||
| Peso | 50 | gramos | ||
proceso de producción
Dimensiones del producto


Escenarios de aplicación



Preguntas frecuentes
Xml política de privacidad blog Mapa del sitio
Derechos de autor @ Micro-Magic Inc Reservados todos los derechos.
RED COMPATIBLE