Módulo IMU MEMS de alta precisión U16495, 9 ejes (giroscopio/acelerómetro/magnetómetro), SPI, compatible con ADIS16495
El U16495 MEMS es una unidad de medición inercial de 9 ejes, compacta y de alta precisión. Es ideal para la navegación, el control y la medición dinámica de portadores. El módulo de medición inercial de la serie U16495 integra giroscopios, acelerómetros y magnetómetros MEMS en su estructura. El giroscopio, el acelerómetro y el magnetómetro MEMS seleccionados por el sistema representan la tecnología más avanzada en dispositivos inerciales MEMS, con alta fiabilidad y gran robustez. Permiten medir con precisión la velocidad angular, la aceleración y la información magnética de portadores en movimiento, incluso en entornos exigentes.
Número de pieza, :
U16495Producto de reemplazo :
ADIS 16495Series de productos y parámetros
| Parámetro | Condiciones de prueba | Min | Tipo | Máximo | Unidad | |
| Giroscopio | Rango | ±350 | ±500 | °/s | ||
| Polarización cero a temperatura completa | 1sigma | ±20 | 60 | °/h | ||
| Estabilidad de polarización cero | 10s | 3 | 5 | °/h | ||
| Inestabilidad de polarización cero | Alano | 0,3 | 0,5 | °/h | ||
| Repetibilidad de polarización cero | 1 | 5 | °/h | |||
| Paseo aleatorio angular | 0.1 | 0,2 | °/√h | |||
| no linealidad del factor de escala | ±100 | ppm | ||||
| Acoplamiento cruzado | ±0,001 | rad | ||||
| Ancho de banda | 200 | Hz | ||||
| Acelerómetro | Rango | ±20 | g | |||
| Polarización cero a temperatura completa | 1sigma | ±1 | ±3 | mg | ||
| Estabilidad de polarización cero | 10s | 0,05 | 0.1 | mg | ||
| Inestabilidad de polarización cero | Alano | 0,01 | 0,03 | mg | ||
| Repetibilidad de polarización cero | 0,05 | 0.1 | mg | |||
| Caminata aleatoria de velocidad | 0,03 | m/s/√h | ||||
| no linealidad del factor de escala | ±1 g | ±200 | ±200 | ppm | ||
| Acoplamiento cruzado | ±0,001 | rad | ||||
| Ancho de banda | 200 | Hz | ||||
| Magnetómetro | Rango | ±8 | Gs | |||
| Resolución | 200 | μGs | ||||
| Densidad de ruido | 50 | μGs | ||||
| Ancho de banda | 200 | Hz | ||||
| Interfaz de comunicación | SPI | 25 | megahercio | |||
| UART | 9.6 | 460.8 | 921.6 | kbps | ||
| Características eléctricas | Voltaje de funcionamiento | 3 | 3.3 | 3.6 | V | |
| Consumo de energía | 0,5 | W | ||||
| Onda | pico a pico | 100 | mV | |||
| Tiempo de inicio | 2 | s | ||||
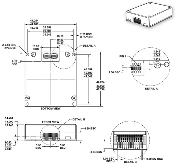
| Características estructurales | Tamaño | 47,0 × 44,0 × 14,0 | mm | |||
| Peso | 50 | g | ||||
| Entorno operativo | Temperatura de funcionamiento | -40 | 80 | ℃ | ||
| Temperatura de almacenamiento | -55 | 85 | ℃ | |||
| vibración | 10-2000 Hz, 6,06 g | |||||
| Choque | 30 g, 11 ms | |||||
| Sobrecarga | Media onda sinusoidal | 1000 g | ||||
| Fiabilidad | MTBF | 20000 | h | |||
| Horario de trabajo continuo | 120 | h | ||||
| Nota: Los valores típicos representan los valores estadísticos de 1 σ de múltiples conjuntos de indicadores de prueba de productos. | ||||||
proceso de producción
Dimensiones del producto

Escenarios de aplicación
De −40 °C a +80 °C, U16495La compensación de calibración de temperatura completa (con un sensor de temperatura incorporado) permite que la excitación rotacional de un solo eje mida y calibre con precisión la deriva de temperatura/sesgo cero y la no linealidad del factor de escala del giroscopio de ese eje.



Preguntas frecuentes
Xml política de privacidad blog Mapa del sitio
Derechos de autor @ Micro-Magic Inc Reservados todos los derechos.
RED COMPATIBLE