Unidad de medición inercial (IMU) de bajo ruido con rango de 450 grados/segundo para aeronaves no tripuladas (MEMS IMU).
Serie U7000 de alta precisión MEMS-IMU Se trata de una combinación de sensores inerciales MEMS de seis ejes, altamente fiable y rentable, que puede utilizarse ampliamente en los campos de navegación, control y medición, representados por la navegación inercial y la estabilidad de actitud. Esta serie de unidades de medición inercial MEMS puede configurarse con diferentes software y hardware según las necesidades del usuario. Para algunas aplicaciones de navegación inercial, los giroscopios pueden sustituirse por giroscopios MEMS de alta precisión o de alto rango dinámico para satisfacer las necesidades de los diferentes usuarios en la mayor medida posible.
Número de pieza, :
U7000Pedido (MOQ) :
1Series de productos y parámetros
| Parámetro | U7000-A | U7000-B | Unidad |
| Giroscopio | |||
| Rango de medición | ±400 | ±400 | °/s |
| Estabilidad total a temperatura cero (10 s, 1σ) | ≤10 | ≤2 | °/h |
| Estabilidad de polarización cero (10 s, 1σ) | ≤1 | ≤0,3 | °/h |
| Estabilidad de polarización cero (Allan) | ≤0,1 | ≤0,07 | °/h |
| Repetibilidad de sesgo cero (1σ) | ≤1 | ≤0,3 | °/h |
| Paseo aleatorio angular | ≤0,05 | ≤0,02 | °/√h |
| no linealidad del factor de escala | ≤100 | ppm | |
| Ancho de banda (ajustable) | 100 | Hz | |
| Acelerómetro | |||
| Rango de medición | ±30 | g | |
| Estabilidad total a temperatura cero (10 s, 1σ) | ≤1 | mg | |
| Estabilidad de polarización cero (10 s, 1σ) | ≤100 | μg | |
| Estabilidad de polarización cero (Allan) | ≤15 | μg | |
| Repetibilidad de sesgo cero (1σ) | ≤100 | μg | |
| Paseo aleatorio angular | ≤10 | mm/s/√h | |
| no linealidad del factor de escala | ≤500 | ppm | |
| Ancho de banda (ajustable) | 100 | Hz | |
| Interfaz eléctrica/mecánica | |||
| Fuente de alimentación | 5 ~ 12 | V | |
| Consumo de energía | 1.5 | W | |
| Hora de inicio | 2 | s | |
| Interfaz de comunicación | RS422/RS232 | ||
| Tasa de actualización de datos | 200 (configurable, hasta 1 kHz) | Hz | |
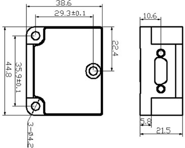
| Dimensión | 44,8 x 38,6 x 21,5 | mm | |
| Peso | 55±5 | g | |
| Ambiente | |||
| Temperatura de funcionamiento | -40 ~ +80 | ℃ | |
| Temperatura de almacenamiento | -55 ~ +85 | ℃ | |
| Vibración | 6.06 | g, RMS | |
| Choque | 1000 g/1 ms (encendido) | g | |
proceso de producción
Dimensiones del producto

Escenarios de aplicación



Preguntas frecuentes
Xml política de privacidad blog Mapa del sitio
Derechos de autor @ Micro-Magic Inc Reservados todos los derechos.
RED COMPATIBLE