El U16575 es una IMU MEMS de seis ejes con salida digital SPI/UART, compatible con ADIS16575.
El módulo de medición inercial MEMS U16575 es un módulo de seis ejes altamente fiable y económico, ampliamente aplicable en los campos de navegación, control y medición, representados por vehículos, barcos y drones. La serie U16575 integra giroscopios y acelerómetros MEMS de alto rendimiento en una estructura independiente. Los giroscopios y acelerómetros seleccionados para el sistema representan la tecnología MEMS más avanzada en dispositivos inerciales. Los giroscopios MEMS de tres ejes detectan el movimiento angular del portador, mientras que los acelerómetros MEMS de tres ejes detectan la aceleración lineal del portador. El sistema compensa internamente la posición cero, el factor de escala, el error no ortogonal y los términos relacionados con la aceleración en todos los parámetros de temperatura, manteniendo una alta precisión de medición durante un largo período de tiempo.
El módulo de medición inercial de la serie U16575 se puede configurar con diferentes componentes de hardware y software según las necesidades del usuario.
Número de pieza, :
U16575Producto de reemplazo :
ADIS16575Series de productos y parámetros
| Parámetro | Indicadores | Unidad |
| Giroscopio | ||
| Rango de medición | ±400 | °/s |
| Polarización cero a temperatura completa | ≤80 | °/h, 3σ |
| Estabilidad con polarización cero | ≤5 | °/h, 10s |
| Inestabilidad de polarización cero | ≤1 | °/h, Allan, típico |
| Repetibilidad de sesgo cero | ≤5 | °/h |
| Paseo aleatorio angular | ≤0,3 | °/√h |
| no linealidad del factor de escala | ≤150 | ppm |
| Acoplamiento cruzado | ≤0,001 | rad |
| Ancho de banda | ≥200 Hz | Hz |
| Acelerómetro | ||
| Rango de medición | ±10 | g |
| Polarización cero a temperatura completa | ≤5 | mg, 3σ |
| Estabilidad de polarización cero | ≤300 | μg, 10 s |
| Inestabilidad de polarización cero | ≤30 | μg, Allan, tipo |
| Repetibilidad de sesgo cero | ≤50 | Ug |
| Caminata aleatoria rápida | ≤0,03 | m/s/√h |
| no linealidad del factor de escala | ≤200 | ppm, ±1 g |
| Acoplamiento cruzado | ≤0,001 | rad |
| Ancho de banda | ≥200 Hz | Hz |
| Propiedades físicas | ||
| Fuente de alimentación | 3.3 | V |
| Potencia en estado estacionario | ≤1 | W |
| Tiempo de inicio | ≤2 | s |
| Interfaz de comunicación | Una opción es SPI, la otra es UART. | |
| Frecuencia de actualización | 1000 | Hz, máx. |
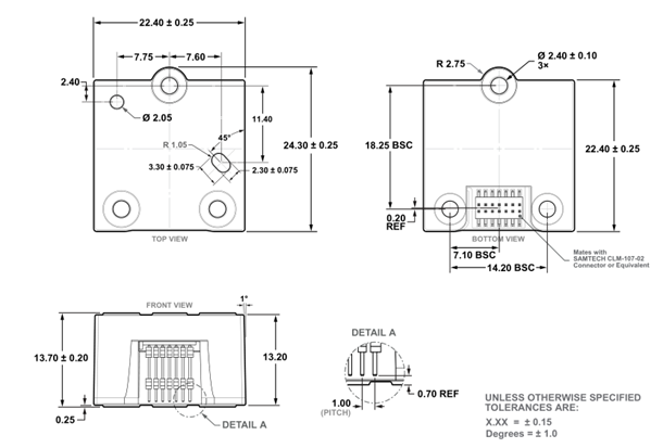
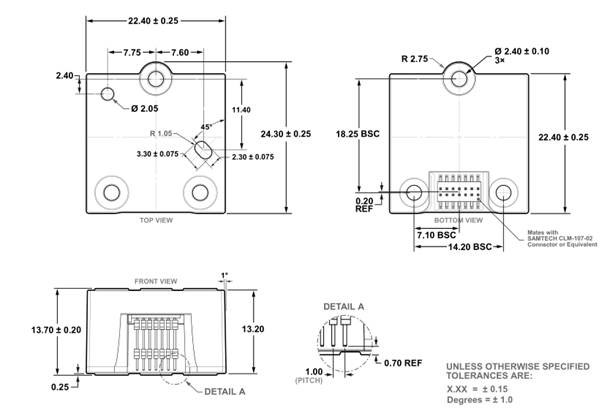
| Dimensiones | 22,4*22,3*13,7 | mm |
| Peso | 12±2 | g |
| Entorno laboral | ||
| Temperatura de funcionamiento | -40~80 | ℃ |
| Temperatura de almacenamiento | -55~85 | ℃ |
| Vibración | 20~2000 Hz, 6,06 | g, RMS |
| Impacto | 1000/1ms | g |
proceso de producción
Dimensiones del producto

Escenarios de aplicación



Preguntas frecuentes
Xml política de privacidad blog Mapa del sitio
Derechos de autor @ Micro-Magic Inc Reservados todos los derechos.
RED COMPATIBLE