El Módulo de Medición Inercial MEMS U503 es un módulo de medición inercial MEMS de seis ejes, de alta precisión y alto rendimiento, ampliamente utilizado en navegación, control y medición de vehículos, barcos y drones. La serie U503 de módulos de medición inercial integra giroscopios y acelerómetros MEMS de alto rendimiento en una estructura independiente. Cuenta con un diseño de sellado del sistema y un tratamiento interno de absorción de impactos, lo que satisface los requisitos de aplicaciones de navegación de alta precisión y alta dinámica en entornos hostiles.
Número de pieza, :
U503Pedido (MOQ) :
1Serie de productos y parámetros
| Parámetros | Indicadores técnicos | |
| U503-A | U503-B | |
| Giroscopio | ||
| Rango de medición (°/s) | ±300 | ±300 |
| Sesgo cero de temperatura total (°/h,3σ) | ≤2 | ≤2 |
| Estabilidad de polarización cero (°/h, 10 s) | ≤0,15 | ≤0,3 |
| Inestabilidad de sesgo cero (°/h,allan,típico) | ≤0,03 | ≤0,03 |
| Repetibilidad de sesgo cero (°/h,1σ) | ≤0,3 | ≤0,3 |
| Paseo angular aleatorio (°/√h) | ≤0,005 | ≤0,02 |
| No linealidad del factor de escala (ppm) | ≤100 | ≤100 |
| Acoplamiento cruzado (rad) | ≤0,001 | ≤0,001 |
| Ancho de banda (Hz) | ≥100 | ≥200 |
| Acelerómetro | ||
| Rango de medición (g) | ±30 | ±30 |
| Sesgo cero de temperatura completa (mg) | ≤0,5 | ≤2 |
| Estabilidad de polarización cero (ug, 10 s) | ≤10 | ≤50 |
| Inestabilidad de sesgo cero (μg, allan, typ) | ≤3 | ≤30 |
| Repetibilidad de sesgo cero (ug) | ≤10 | ≤50 |
| Caminata aleatoria de velocidad (m/s/√h) | ≤0,01 | ≤0,03 |
| No linealidad del factor de escala (ppm, ±1 g) | ≤100 | ≤100 |
| Acoplamiento cruzado (rad) | ≤0,001 | ≤0,001 |
| Ancho de banda (Hz) | ≥200 Hz | ≥200 Hz |
| Interfaz eléctrica/mecánica | ||
| Fuente de alimentación (V) | 5~12 | |
| Potencia en estado estacionario (W) | ≤2 | |
| Hora(s) de inicio | ≤2 | |
| interfaz de comunicación | RS-422 | |
| Velocidad de datos (Hz,máx.) | 2000 | |
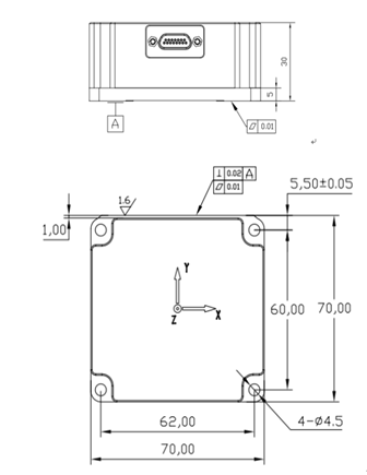
| Tamaño (mm × mm × mm) | 70×70×30 | |
| Peso (g) | 220±10 | |
| Entorno operativo | ||
| Temperatura de funcionamiento (℃) | -50~+80(O comience en -50 y opere en -55) | |
| Temperatura de almacenamiento (℃) | -55~85 | |
| Vibración (g, RMS) | 13 | |
| Choque (g) | 1000 | |
Proceso de producción
Dimensión del producto

Escenarios de aplicación



Preguntas frecuentes
Xml política de privacidad blog Mapa del sitio
Derechos de autor
@ Micro-Magic Inc Reservados todos los derechos.
RED SOPORTADA