Giroscopio de fibra óptica IMU Unidad de medición inercial de alta precisión Salida RS422
IMU de fibra óptica (unidad de medición inercial) es un sistema de control y navegación de misiles y bombas guiadas, desarrollado a partir de productos inerciales, mediante tres giroscopios de fibra de estado sólido, tres acelerómetros de cuarzo y una placa de encapsulado de datos, que mide la velocidad angular y la aceleración lineal del movimiento del portador, para el control de la actitud y la navegación del portador, y los resultados de la medición se transmiten a través del puerto serie RS422.
Número de pieza, :
U-F3X80Pedido (MOQ) :
1Series de productos y parámetros
| U-F3X80-H | U-F3X80-M | Unidad | |
| Estabilidad de polarización cero (a temperatura ambiente) | ≤0,30 | ≤0,50 | °/hora |
| Repetibilidad de sesgo cero (bajo ciertas temperaturas, paso a paso, día a día) | ≤0,30 | ≤0,50 | °/hora |
| Factor de escala de repetibilidad (a temperatura ambiente) | ≤30 | ≤50 | ppm |
| El factor de escala de asimetría (a cierta temperatura) | ≤20 | ≤30 | ppm |
| Factor de escala de la no linealidad (a cierta temperatura) | ≤20 | ≤30 | ppm |
| Límite | ≤0,50 | °/hora | |
| Rango dinámico de velocidad angular | ±500 | °/s | |
| Ancho de banda | ≥100 | Hz | |
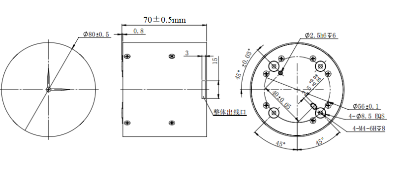
| Dimensión | 80**80*70 | mm | |
| Peso (incluido el acelerómetro) | 780±20 | g | |
| Temperatura de funcionamiento | -40~+65 | ℃ |
proceso de producción
Dimensiones del producto

Escenarios de aplicación



Preguntas frecuentes
Xml política de privacidad blog Mapa del sitio
Derechos de autor @ Micro-Magic Inc Reservados todos los derechos.
RED COMPATIBLE