Hardware
- IMU de matriz de alto rendimiento
- Calibrado de fábrica con compensación de temperatura de -40 a 85 ℃, con factor de escala, eje transversal y polarización cero calibrados.
- La inestabilidad de polarización cero del giroscopio es de hasta 2,5°/h
- La inestabilidad de polarización cero del acelerómetro es tan alta como 30 ug
- Múltiples interfaces como UART (TTL)/CAN
- Sensor de temperatura integrado
- Paquete pequeño de montaje en superficie, fácil de integrar
- Certificación RoHS y CE
- Sistema RTK-GNSS de constelación completa y frecuencia completa, radiogoniometría de antena dual
Software
- Algoritmo de fusión de Kalman extendido adaptativo, capaz de generar una salida de hasta 100 Hz con baja latencia
- Antena dual direccional 0,2° línea base de 1 m
- Tiene un excelente efecto de supresión de la aceleración lineal.
- Precisión de tiempo de 20 ns
- Posicionamiento de un solo punto con una precisión de 1,5 metros
- La precisión de posicionamiento RTK es de 1 cm.
- Precisión de velocidad: 0,03 m/s
- Tiempo de arranque en frío < años 30
- Hora de arranque en caliente < 2 segundos
- Admite múltiples protocolos como binario, NMEA, J1939 y más
- Instrucciones de configuración de usuario enriquecidas
- GUI multifuncional, fácil de operar
- Admite múltiples rutinas como ROS y C
Número de pieza, :
I3800Pedido (MOQ) :
11. Especificación del producto
Parámetros GNSS

Precisión de fusión

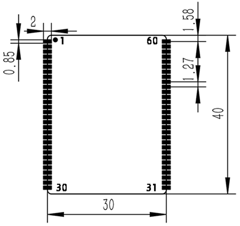
2. Dimensión del producto


Xml política de privacidad blog Mapa del sitio
Derechos de autor
@ Micro-Magic Inc Reservados todos los derechos.
RED SOPORTADA