Sistema de navegación integrado MEMS GNSS INS para posicionamiento y medición de actitud de drones UAV
El sistema de navegación microintegrado I3200 es un sistema compacto y económico basado en tecnología MEMS, diseñado principalmente para los campos de navegación, control y medición en comunicaciones móviles y vehículos aéreos no tripulados. Este sistema integra sensores MEMS y chips receptores de satélite de frecuencia completa en un tamaño reducido, lo que permite la medición de posicionamiento y actitud en un paquete compacto.
Número de pieza, :
I3200Pedido (MOQ) :
1Series de productos y parámetros
| Parámetro | Indicadores técnicos |
| Giroscopio | |
| Rango (°/s) | ±300 |
| Polarización cero a temperatura completa (°/h, 3σ) | ≤360 |
| Estabilidad de polarización cero (°/h, 10 s) | ≤10 |
| Inestabilidad de polarización cero (°/h, allan, típ.) | ≤3 |
| Repetibilidad de sesgo cero (°/h) | ≤10 |
| Paseo aleatorio angular (°/√h) | ≤0,3 |
| No linealidad del factor de escala (ppm) | ≤100 |
| Acoplamiento cruzado de ejes (rad) | ≤0,001 |
| Ancho de banda (Hz) | ≥100 |
| Acelerómetro | |
| Rango (g) | ±16 |
| Polarización cero a temperatura completa (mg, 3σ) | ≤5 |
| Estabilidad de polarización cero (μg, 10 s) | ≤300 |
| Inestabilidad de polarización cero (μg, allan, typ) | ≤50 |
| Repetibilidad de polarización cero (ug) | ≤300 |
| Paseo aleatorio de velocidad (m/s/√h) | ≤50 |
| No linealidad del factor de escala (ppm, ±1 g) | ≤300 |
| Acoplamiento cruzado de ejes (rad) | ≤0,001 |
| Ancho de banda (Hz) | ≥100 |
| Precisión de navegación | |
| Posición horizontal combinada (m, 1σ) | 3 m (punto único) 0,02+1 ppm (RTK) |
| Posición combinada en el cielo (m, 1σ) | 5 m (punto único) 0,03+1 ppm (RTK) |
| Velocidad horizontal combinada (m/s, 1σ) | 0.1 |
| Velocidad combinada hacia el cielo (m/s, 1σ) | 0,15 |
| Rumbo combinado (°, 1σ, tiempo real) | 0,2 (antena dual de línea base de 1 m) 0,5 (antena única, dinámica) |
| Actitud horizontal combinada (°, 1σ, tiempo real) | 0,1° (doble antena) 0,2° (antena simple) |
| Interfaz eléctrica/mecánica | |
| Fuente de alimentación (V) | 5V |
| Potencia en estado estacionario (W) | ≤0,5 |
| Tiempo de inicio (s) | ≤3 |
| interfaz de comunicación | URAT |
| Frecuencia de actualización (Hz) | 100 |
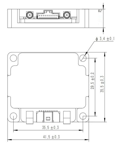
| Tamaño (mm×mm×mm) | 41,5×35,5×9,5 |
| Peso (g) | <30 |
| Entorno operativo | |
| Temperatura de funcionamiento (°C) | -40~+80 |
| Temperatura de almacenamiento (℃) | -55~+85 |
| Vibración (g, RMS) | 20~2000 Hz, 6,06 |
| Choque (g) | 1000 g/1 ms |
| Fiabilidad | |
| MTBF(h) | 10000 |
proceso de producción
Dimensiones del producto

Escenarios de aplicación



Preguntas frecuentes
P1. ¿Qué es el I3200?
El I3200 es un sistema de navegación inercial integrado MEMS de alto rendimiento. Combina sensores inerciales MEMS con un receptor GNSS de frecuencia completa en un diseño compacto, y es adecuado para aplicaciones de navegación, control y medición.
P2. ¿Cuáles son las principales características del I3200?
El I3200 ofrece alto rendimiento, tamaño compacto, bajo peso, consumo de energía ultrabajo, compensación de calibración de temperatura completa, algoritmo de actitud adaptativo opcional, compensación de brazo de palanca, actualización de software en línea, capacidad de autocorrección de actitud sin GNSS y compatibilidad con la integración RTK.
P3. ¿Para qué aplicaciones es adecuado el I3200?
El I3200 es adecuado para la comunicación en movimiento, la referencia de posición y actitud para drones, vehículos, barcos y embarcaciones, el control de actitud y otras aplicaciones de sistemas no tripulados.
Xml política de privacidad blog Mapa del sitio
Derechos de autor @ Micro-Magic Inc Reservados todos los derechos.
RED COMPATIBLE