Este es el artículo para los requisitos técnicos específicos relacionados con IF4010 para la unidad de medición inercial tipo FOG-40, cuyo tipo de unidad de medición inercial se puede usar ampliamente en vehículos, barcos, aviones y otros campos.
Número de pieza, :
IF4010Pedido (MOQ) :
11. Especificación del producto

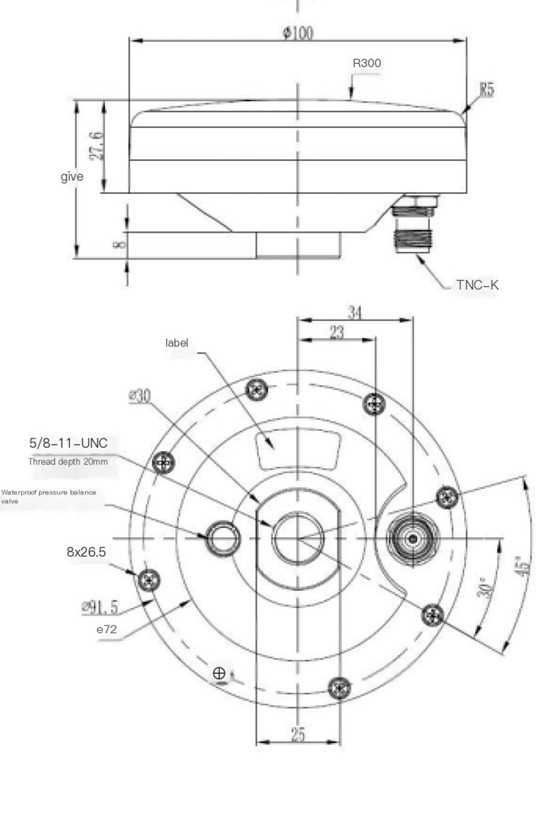
2. Tamaño del producto





Xml política de privacidad blog Mapa del sitio
Derechos de autor
@ Micro-Magic Inc Reservados todos los derechos.
RED SOPORTADA