Giroscopio de fibra óptica de un solo eje con precisión ultra alta de 0,005 grados/hora
Como un nuevo tipo de giroscopio totalmente de estado sólido, giroscopio de fibra óptica Presenta las ventajas de un arranque rápido, un amplio rango de medición y una alta fiabilidad. El giroscopio de fibra óptica uniaxial de precisión media y alta G-F98H puede aplicarse a los requisitos de los sistemas de navegación inercial de alta precisión, como la orientación de posicionamiento terrestre, los instrumentos de determinación del norte para vehículos, la orientación de navegación aérea y los giroscopios marinos. Esta especificación solo es aplicable a productos tipo G-F98H e incluye indicadores de rendimiento, condiciones técnicas, dimensiones externas, instalación y uso. Entre las condiciones técnicas se encuentran el rango ambiental, el rendimiento eléctrico y las características físicas del producto.
Número de pieza, :
G-F98HPedido (MOQ) :
1Conector :
RS422Nivel de protección :
IP67Series de productos y parámetros
| G-F98H-A | G-F98H-B | G-F98H-C | Unidad | |
| Estabilidad de polarización cero | ≤0,015 | ≤0,015 | ≤0,010 | °/hr(1σ,10s) |
| Tiempo de estabilización | <10 | <10 | <10 | s |
| Repetibilidad de sesgo cero | ≤0,015 | ≤0,015 | ≤0,010 | °/h (1σ) |
| Repetibilidad de polarización cero en todo el rango de temperaturas | ≤0,05 | ≤0,05 | ≤0,03 | °/hora |
| coeficiente de paseo aleatorio | ≤0,002 | ≤0,001 | ≤0,001 | °/ |
| El factor de escala de la no linealidad | ≤10 | ≤10 | ≤10 | ppm (1σ) |
| El factor de escala de repetibilidad | ≤20 | ≤10 | ≤10 | ppm (1σ) |
| Repetibilidad del factor de escala de temperatura completa | ≤200 | ≤50 | ≤50 | ppm |
| Rango dinámico | ±500 | °/s | ||
| Sensibilidad al campo magnético | ≤0,02 | °/h/Gs | ||
| Temperatura de funcionamiento | -50~+70 | ℃ | ||
| Temperatura de almacenamiento | -50~+70 | ℃ | ||
proceso de producción
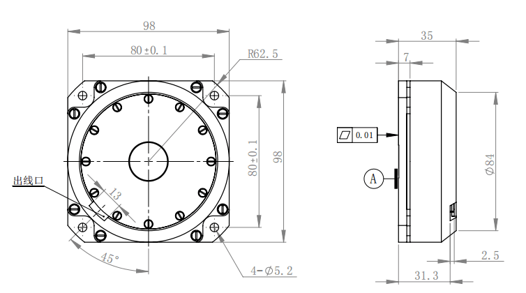
Dimensiones del producto

Gráfico 2. Dimensiones del contorno del G-F98H.
Escenarios de aplicación



Preguntas frecuentes
Xml política de privacidad blog Mapa del sitio
Derechos de autor @ Micro-Magic Inc Reservados todos los derechos.
RED COMPATIBLE