Giroscopio de fibra óptica uniaxial G-F98h con rango dinámico de ±500°/s y alta fiabilidad para uso en vehículos, aeronaves y aplicaciones marinas.
Como un nuevo tipo de giroscopio óptico de estado sólido, tiene las ventajas de un arranque rápido, un amplio rango de medición y una alta fiabilidad. La serie G-F98HA de un solo eje de precisión media y alta giroscopios de fibra óptica Puede aplicarse a los requisitos de aplicación de sistemas de navegación inercial de precisión media a alta, como el posicionamiento y la orientación terrestre, los buscadores de norte montados en vehículos, la actitud de rumbo aéreo y las brújulas giroscópicas marinas.
Número de pieza, :
G-F98HAPedido (MOQ) :
1Conector :
RS422Nivel de protección :
IP67Series de productos y parámetros
| G-F98HA-A | G-F98HA-B | G-F98HA-C | Unidad | |
| Estabilidad de polarización cero | ≤0,015 | ≤0,015 | ≤0,010 | °/h (1σ,10s) |
| Tiempos de estabilización s | <10 | <10 | <10 | |
| Repetibilidad de sesgo cero | ≤0,015 | ≤0,015 | ≤0,010 | °/h (1σ) |
| Repetibilidad de polarización cero en todo el rango de temperaturas | ≤0,10 | ≤0,05 | ≤0,05 | °/hora |
| coeficiente de paseo aleatorio | ≤0,002 | ≤0,001 | ≤0,001 | |
| El factor de escala de la no linealidad | ≤10 | ≤10 | ≤10 | ppm (1σ) |
| El factor de escala de repetibilidad | ≤20 | ≤10 | ≤10 | ppm (1σ) |
| Repetibilidad del factor de escala de temperatura completa | ≤200 | ≤100 | ≤80 | ppm |
| Rango dinámico | ±500 | °/s | ||
| Sensibilidad al campo magnético | ≤0,02 | °/h/Gs | ||
| Temperatura de funcionamiento | -40~+70 | ℃ | ||
| Temperatura de almacenamiento | -50~+70 | ℃ |
proceso de producción
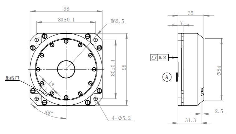
Dimensiones del producto

Gráfico 2. Dimensiones del contorno del G-F98HA.
Escenarios de aplicación



Preguntas frecuentes
Xml política de privacidad blog Mapa del sitio
Derechos de autor @ Micro-Magic Inc Reservados todos los derechos.
RED COMPATIBLE