Como un nuevo tipo de giroscopio totalmente de estado sólido, giroscopio de fibra óptica Presenta las ventajas de un arranque rápido, un amplio rango de medición y una alta fiabilidad. El giroscopio de fibra óptica uniaxial de precisión G-F120 se puede aplicar a los requisitos de sistemas de navegación inercial de alta precisión, como la orientación de posicionamiento terrestre, instrumentos de determinación del norte para vehículos, orientación de navegación aérea y giroscopios marinos. Esta especificación se aplica únicamente a productos tipo G-F120 e incluye indicadores de rendimiento, condiciones técnicas, dimensiones externas, instalación y uso. Entre las condiciones técnicas se encuentran el rango ambiental, el rendimiento eléctrico y las características físicas del producto.
Número de pieza, :
G-F120Pedido (MOQ) :
1Conector :
RS422Nivel de protección :
IP67Series de productos y parámetros
| G-F120-A | G-F120-B | G-F120-C | Unidad | |
| Estabilidad de polarización cero | ≤0,01 | ≤0,007 | ≤0,006 | °/h (1σ,10s) |
| Estabilidad de polarización cero | ≤0,004 | ≤0,003 | ≤0,002 | °/h (1σ,100s) |
| Tiempos de estabilización s | <10 | <10 | <10 | |
| Repetibilidad de sesgo cero | ≤0,01 | ≤0,007 | ≤0,006 | °/h (1σ) |
| Repetibilidad de polarización cero en todo el rango de temperaturas | ≤0,10 | ≤0,08 | ≤0,05 | °/hora |
| coeficiente de paseo aleatorio | ≤0,002 | ≤0,001 | ≤0,001 | |
| El factor de escala de la no linealidad | ≤10 | ≤10 | ≤10 | ppm (1σ) |
| El factor de escala de repetibilidad | ≤10 | ≤10 | ≤10 | ppm (1σ) |
| Repetibilidad del factor de escala de temperatura completa | ≤100 | ≤50 | ≤50 | ppm |
| Rango dinámico | ±500 | °/s | ||
| Sensibilidad al campo magnético | ≤0,02 | °/h/Gs | ||
| Temperatura de funcionamiento | -40~+65 | ℃ | ||
| Temperatura de almacenamiento | -50~+70 | ℃ | ||
proceso de producción
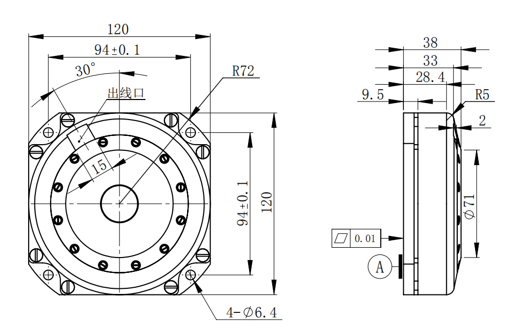
Dimensiones del producto

Gráfico 2. Dimensiones generales del G-F120H.
Escenarios de aplicación



Preguntas frecuentes
Xml política de privacidad blog Mapa del sitio
Derechos de autor @ Micro-Magic Inc Reservados todos los derechos.
RED COMPATIBLE