Navegación inercial con giroscopio de fibra óptica para plataformas marinas de alta precisión para vehículos submarinos no tripulados (USV) y vehículos submarinos autónomos (AUV).
Como un nuevo tipo de giroscopio totalmente de estado sólido, giroscopio de fibra óptica Presenta las ventajas de un arranque rápido, un amplio rango de medición y una alta fiabilidad. El giroscopio de fibra óptica uniaxial de precisión media y alta G-F70ZK se puede aplicar a los requisitos de los sistemas de navegación inercial de alta precisión, como la orientación de posicionamiento terrestre, los instrumentos de determinación del norte para vehículos, la orientación de navegación aérea y los giroscopios marinos. Esta especificación solo es aplicable a productos del tipo G-F70ZK e incluye indicadores de rendimiento, condiciones técnicas, dimensiones externas, instalación y uso. Entre las condiciones técnicas se encuentran el rango ambiental, el rendimiento eléctrico y las características físicas del producto.
Número de pieza, :
G-F70ZKPedido (MOQ) :
1Conector :
RS422Nivel de protección :
IP67Series de productos y parámetros
| G-F70ZK-A | G-F70ZK-B | ||
| Estabilidad de polarización cero °/h (1σ,10s) | ≤0,05 | ≤0,03 | Pruebas continuas de 2 horas, resultados fluidos de 10 segundos. |
Repetibilidad de sesgo cero °/h (1σ) | ≤0,02 | ≤0,02 | 6 resultados de cálculo de datos de prueba |
| Coeficiente de paseo aleatorio °/ | ≤0,005 | ≤0,003 | |
| Factor de escala de no linealidad ppm (1σ) | ≤10 | ≤10 | temperatura atmosférica normal |
| Factor de escala de repetibilidad ppm (1σ) | ≤20 | ≤10 | temperatura atmosférica normal |
| Repetibilidad del factor de escala de temperatura completa en ppm (1σ) | ≤300 | ≤200 | -40℃~+60℃ |
| Rango dinámico °/s | ±500 | ||
| Sensibilidad del campo magnético °/hr/Gs | ≤0,02 | ||
| Temperatura de trabajo ℃ | -40~+70 | ||
| Temperatura de almacenamiento ℃ | -50~+70 | ||
| Condiciones de vibración Hz | 4,2 g, 20~2000 | La vibración de frecuencia de barrido no tiene resonancia. | |
proceso de producción
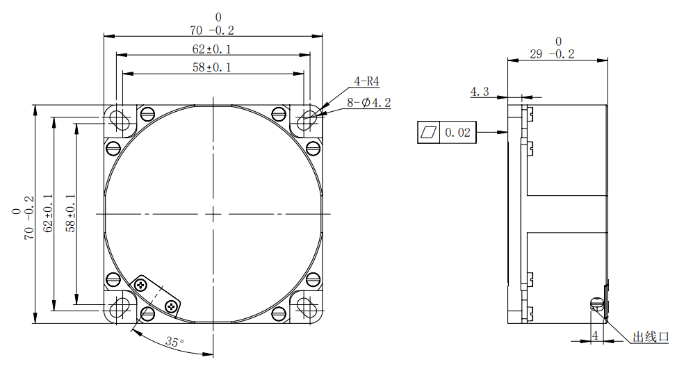
Dimensiones del producto

Gráfico 2. Dimensiones generales del G-F70ZK.
Escenarios de aplicación



Preguntas frecuentes
Xml política de privacidad blog Mapa del sitio
Derechos de autor @ Micro-Magic Inc Reservados todos los derechos.
RED COMPATIBLE