Giroscopio de fibra óptica de precisión media de doble eje G-F2X70, estabilidad de grado industrial, giroscopio de fibra óptica MEMS, suministro directo de fábrica.
Como un nuevo tipo de giroscopio totalmente de estado sólido, giroscopio de fibra óptica Presenta las ventajas de un arranque rápido, un amplio rango de medición y una alta fiabilidad. El giroscopio de fibra óptica de precisión media de doble eje G-F2X70 puede aplicarse a plataformas de estabilidad a bordo, cabezales de guía, tolvas de grúas y otros campos. Esta especificación solo es aplicable a productos del tipo G-F2X70 e incluye indicadores de rendimiento, condiciones técnicas, dimensiones externas, instalación y uso. Entre las condiciones técnicas se encuentran el rango ambiental, el rendimiento eléctrico y las características físicas del producto.
Número de pieza, :
G-F2X70Pedido (MOQ) :
1Conector :
RS422Nivel de protección :
IP67Series de productos y parámetros
| Estabilidad de polarización cero | ≤0,20 | °/hr(1σ,10s) Pruebas continuas de 2 horas, resultados fluidos de 10 segundos. |
| Tiempo de estabilización | <100 | s |
| Repetibilidad de sesgo cero | ≤0,20 | °/hr(1σ) Resultados de 3 datos de prueba |
| Resolución | ≤0,20 | °/hr(1σ) |
| coeficiente de paseo aleatorio | ≤0,02 | °/ |
| Repetibilidad a temperatura completa y sin polarización | ≤0,50 | °/hora |
| Factor de escala de la no linealidad (a temperatura normal) | ≤20 | ppm (1σ) |
| Factor de escala de repetibilidad (a temperatura normal) | ≤50 | ppm (1σ) |
| Rango dinámico | ±400 | °/s |
| Ancho de banda | ≥500 | Hz |
| Temperatura de funcionamiento | -40~+65 | ℃ |
| Temperatura de almacenamiento | -50~+70 | ℃ |
| Condiciones de vibración | 4,2 g, 20~2000 | Hz |
proceso de producción
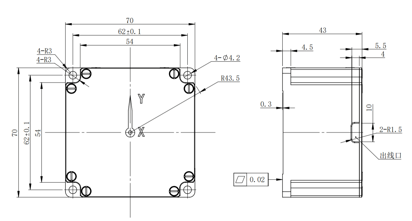
Dimensiones del producto
Dimensiones generales: 70 mm x 70 mm x 43 mm, tamaño de instalación: cuatro orificios de 62 mm x 62 mm, tornillos de instalación: 4 tornillos M3, la forma y las dimensiones de instalación se muestran en la Figura 2.

Figura 2. Dimensiones generales del G-F2X70.
Escenarios de aplicación



Preguntas frecuentes
Xml política de privacidad blog Mapa del sitio
Derechos de autor @ Micro-Magic Inc Reservados todos los derechos.
RED COMPATIBLE