Como un nuevo tipo de giroscopio totalmente de estado sólido, giroscopio de fibra óptica Presenta las ventajas de un arranque rápido, un amplio rango de medición y una alta fiabilidad. El giroscopio de fibra óptica uniaxial de precisión media y alta G-F70ZKH se puede aplicar a los requisitos de los sistemas de navegación inercial de alta precisión, como la orientación de posicionamiento terrestre, los instrumentos de determinación del norte para vehículos, la orientación de navegación aérea y los giroscopios marinos. Esta especificación solo es aplicable a productos del tipo G-F70ZKH e incluye indicadores de rendimiento, condiciones técnicas, dimensiones externas, instalación y uso. Entre las condiciones técnicas se encuentran el rango ambiental, el rendimiento eléctrico y las características físicas del producto.
Número de pieza, :
G-F70ZKHPedido (MOQ) :
1Conector :
RS422Nivel de protección :
IP67Series de productos y parámetros
| Estabilidad de polarización cero | ≤0,05 °/h (1σ,10 s) | Pruebas continuas de 2 horas, resultados fluidos de 10 segundos. |
| Tiempo de estabilización | <100 s | |
| Repetibilidad de sesgo cero | ≤0,05 °/h (1σ) | 6 resultados de cálculo de datos de prueba |
| coeficiente de paseo aleatorio | ≤0,005 °/ | |
| El factor de escala de la no linealidad | ≤20 ppm (1σ) | temperatura atmosférica normal |
| El factor de escala de repetibilidad | ≤20 ppm (1σ) | temperatura atmosférica normal |
| Repetibilidad del factor de escala de temperatura completa | ≤300 ppm (1σ) | -40℃~+60℃ |
| Rango dinámico | ±500°/s | |
| Sensibilidad al campo magnético | ≤0,05 °/h/Gs | |
| Temperatura de funcionamiento | -40℃~+70℃ | |
| Temperatura de almacenamiento | -50℃~+70℃ | |
| Condiciones de vibración | 4,2 g, 20 Hz ~ 2000 Hz | La vibración de frecuencia de barrido no tiene resonancia. |
proceso de producción
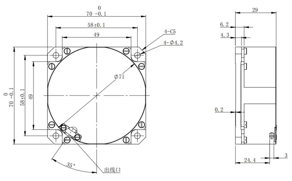
Dimensiones del producto

Gráfico 2. Dimensiones generales del G-F70ZKH.
Escenarios de aplicación



Preguntas frecuentes
Xml política de privacidad blog Mapa del sitio
Derechos de autor @ Micro-Magic Inc Reservados todos los derechos.
RED COMPATIBLE