Sistema de navegación inercial con giroscopio de fibra óptica y detección de niebla (IMU) - Sistema de navegación para aeronaves
UF100A grupo inercial de fibra óptica La IMU es una unidad de medición inercial (IMU) de precisión media y tamaño reducido, como se muestra en la Figura 1. Se utiliza para detectar la velocidad angular y la aceleración lineal del movimiento del vehículo portador, proporcionando información para el control de actitud y navegación. Presenta las ventajas de un tamaño reducido, peso ligero, ausencia de partes móviles, alta fiabilidad y larga vida útil. Puede utilizarse ampliamente en aviación, industria aeroespacial, naval, armamento, medición en minas de carbón, electrónica automotriz y otros campos.
Número de pieza, :
UF100APedido (MOQ) :
1Series de productos y parámetros
| Parámetros | Unidad | Requisito |
| Giroscopio | ||
| Estabilidad de polarización cero (1σ) | °/h | ≤0,2 |
| Repetibilidad de sesgo cero (1σ) | °/h | ≤0,2 |
| coeficiente de paseo aleatorio | °/ h1/2 | ≤0,04 |
| no linealidad del factor de escala | ppm | ≤100 |
| asimetría del factor de escala | ppm | ≤100 |
| Repetibilidad del factor de escala | ppm | ≤50 |
| Rango de medición | °/s | -300~+300 |
| Ancho de banda | Hz | ≥300 |
| Poder de resolución | °/h | ≤0,1 |
| Límite | °/h | ≤0,1 |
| Acelerómetro | ||
| Estabilidad de polarización cero | gramo | ≤5*10-4 |
| Ancho de banda | Hz | ≥300 |
| Rango de medición | gramo | -10 ~ +10 |
| Otros parámetros | ||
| Peso | gramo | 820±50 |
| Temperatura de funcionamiento | ℃ | -55 ~ +70 |
| Temperatura de almacenamiento | ℃ | -55 ~ +70 |
proceso de producción
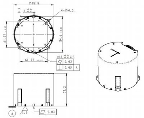
Dimensiones del producto

Escenarios de aplicación



Preguntas frecuentes
Xml política de privacidad blog Mapa del sitio
Derechos de autor @ Micro-Magic Inc Reservados todos los derechos.
RED COMPATIBLE