MG-403 giroscopio de un solo eje Es un giroscopio MEMS de un solo eje de alta precisión, un producto lanzado por la empresa Micro-Magic Inc. Gracias a su encapsulado cerámico de pequeño volumen, ofrece alta precisión, amplio rango de operación, resistencia a impactos, amplio rango de temperatura y salida totalmente digital. Se utiliza principalmente en navegación inercial, navegación integrada, sistemas de referencia de actitud (AHRS), sistemas de estabilización de plataformas, control de vuelo de vehículos aéreos no tripulados, entre otros.
Número de pieza, :
MG-403Pedido (MOQ) :
1Series de productos y parámetros
| MG-403 | Unidad | Notas | |
| Rango de medición | 400 | grados/segundo | La rotación en sentido horario es una salida positiva, limitada a ±105% FS durante el exceso de alcance |
| Resolución | 24 bits | bits | |
| Tasa de datos | 12K | Hz | Frecuencia de actualización de los datos de salida a temperatura ambiente. |
| Retraso del grupo | <2 | ms | Retardo de tiempo entre la señal de entrada física y la de salida. |
| @3DB | 《90 grados | grados | |
| Ancho de banda (-3 dB) | 150 | Hz | Definida como la frecuencia para la cual la atenuación es >-3 dB. |
| Factor de escala a 25 °C | 20000 | lsb/grado/s | configuración de fábrica |
| Repetibilidad del factor de escala (1σ) | <15 | ppm | día a día con ajuste Temp(1σ ) |
| Factor de escala VS Temperatura (1σ) | <50 | ppm | En todo el rango de temperaturas (1σ) |
| No linealidad del factor de escala (1σ) | <100 | ppm | Porcentaje de rango dinámico utilizando el mejor ajuste de línea recta. |
| Inestabilidad de sesgo | <0,03 | grados/hora | Varianza de Allan a 25 °C |
| Estabilidad del sesgo | <0,3 | grados/hora | 10s suave GJB |
| Estabilidad del sesgo | <1 | grados/hora | 1s suave GJB |
| Paseo aleatorio angular | <0,015 | °/ √h | Varianza de Allan a 25 °C |
| Error de sesgo en función de la temperatura (1σ) | <5 | grados/hora | En todo el rango de temperaturas (1σ) |
| Variaciones de temperatura de sesgo, calibradas (1σ) | <0,5 | grados/hora | En todo el rango de temperaturas (1σ) |
| Sesgo Run-Run(1σ ) | <0,15 | grados/hora | día a día con ajuste Temp(1σ ) |
| Nivel de ruido pico a pico | <0,15 | grados/segundo | En todo el rango de frecuencia de ancho de banda, a temperatura ambiente |
| Sensibilidad g | <0,3 | °/h/g | Cualquier eje, probado con una tolerancia de ±1 g. |
| VRE | <0,3 | °/hr/g (rms) | (12 g RMS, 20-2000) |
| Tiempo de inicio | 750 metros | s | Tiempo hasta la puesta en marcha operativa |
| Frecuencia de resonancia del sensor | 11,5-12,5 kHz | Hz | Frecuencia de resonancia giroscópica |
| Choque (operatorio) | 1000 g, 1 ms | ||
| Shock (supervivencia) | 10000 g, 10 ms | ||
| Vibración en funcionamiento | 18 gramos, espectro de pantalla | ||
| Temperatura de funcionamiento | -40 grados ~ +85 grados | ||
| Temperatura máxima de almacenamiento (supervivencia) | -55 grados ~ +125 grados | ||
| Tensión de alimentación | 5±0,25V | ||
| Consumo actual | 40ma | ||
Información de embalaje
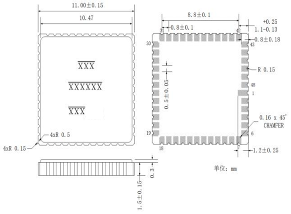
El MG-XXXX adopta un encapsulado cerámico de 48 pines.

Figura 1 Diagrama de embalaje

Figura 2 Diagrama de tamaño del embalaje
Eje de rotación

Figura 3 Diagrama esquemático de detección de rotación axial
El MG-XXXX es un giroscopio de alto rendimiento de un solo eje que detecta el eje de rotación perpendicular a la superficie del chip.
Gire en sentido contrario a las agujas del reloj a lo largo del eje de rotación en la dirección positiva y en el sentido de las agujas del reloj a lo largo del eje de rotación en la dirección negativa.
Escenarios de aplicación
El MG403 es un eje único de alto rendimiento. giroscopio MEMS que proporciona datos de velocidad angular y temperatura a través de SPI, lo que resulta adecuado para mediciones rotacionales de alta precisión y aplicaciones como la navegación inercial y la estabilización de actitud.



Preguntas frecuentes
Xml política de privacidad blog Mapa del sitio
Derechos de autor @ Micro-Magic Inc Reservados todos los derechos.
RED COMPATIBLE