Convertidor de voltaje a frecuencia de alta precisión, salida de ±80 mA y 512 kHz, módulo de señal de acelerómetro de 3 ejes compacto y de bajo consumo.
La serie AVI-C Conversión V/F Este módulo es un convertidor de voltaje/frecuencia de alta precisión que utiliza la integración de carga para convertir continuamente las señales de corriente de tres acelerómetros simultáneamente. Todos los componentes de esta serie de productos son de fabricación 100% nacional y ofrecen un rango de hasta ±80 mA. Se caracteriza por su tamaño compacto, bajo consumo de energía, baja temperatura de funcionamiento y control autónomo.
Número de pieza, :
AVI-CPedido (MOQ) :
1Series de productos y parámetros
| Especificación | Condiciones de prueba | Mínimo | Típico | Máximo | Unidad |
| Frecuencia de salida máxima | Temperatura máxima | - | - | 512 | kHz |
| Posición cero F0 | Temperatura máxima | 0 | 60 | 100 | nA |
| Estabilidad cero | Prueba de temperatura constante | 10 | 20 | ppm | |
| coeficiente de temperatura del factor de escala | Rango completo de temperaturas | - | 1 | 2 | ppm/℃ |
| asimetría del factor de escala | I=±1mA, TC =25℃ | 0 | 30 | ppm | |
| no linealidad integral del factor de escala | Rango de temperatura completo 1 mA ≤ | I | ≤ FS | - | 30 | 50 | ppm |
| pequeño error de señal | 0,01 µA ≤ |I| ≤ 1 mA | 0,5 | Hz | ||
| Estabilidad durante un encendido | I=±1mA, TC =25℃ | 10 | 20 | ppm | |
| Repetibilidad de potencia sucesiva en | I=±1mA, TC =25℃ | 10 | 20 | ppm | |
| Rango de temperatura de funcionamiento TC | -45 | 85 | ℃ | ||
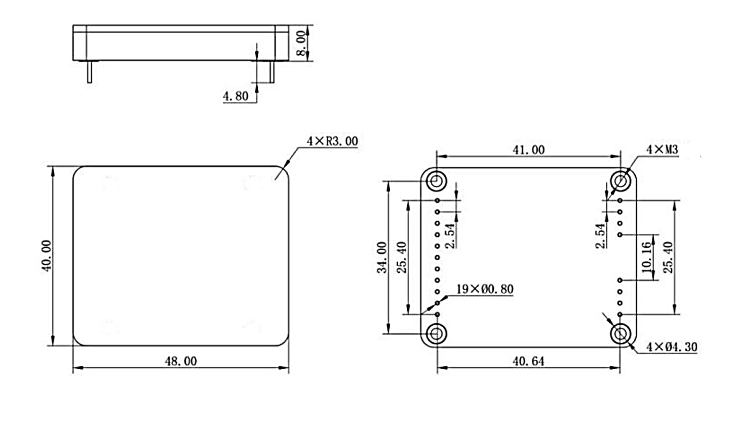
| Dimensiones del producto | 48*40*8 | mm | |||
| Formulario de interfaz | Salida de enchufe doble en línea | ||||
proceso de producción
Dimensiones del producto

Escenarios de aplicación



Preguntas frecuentes
Xml política de privacidad blog Mapa del sitio
Derechos de autor @ Micro-Magic Inc Reservados todos los derechos.
RED COMPATIBLE