Acelerómetro inercial de cuarzo AC-7 ± 60 g Sensor de navegación de alta precisión
AC-7 acelerómetro flexible de cuarzo La serie 1000 es un acelerómetro sísmico pequeño y resistente a altas temperaturas. Este producto ofrece excelente repetibilidad, rendimiento de arranque, resistencia sísmica a altas temperaturas y alta confiabilidad, lo que lo hace ideal tanto para pruebas estáticas como dinámicas. Además, es un sensor de vibración estándar. El producto adopta una miniaturización única, un diseño sísmico resistente a altas temperaturas, un proceso de empaque avanzado y un circuito especial. La corriente de salida es proporcional a la aceleración de entrada. El usuario puede seleccionar la resistencia de muestreo adecuada mediante cálculo para lograr una salida de alta precisión. El sensor de temperatura integrado, según las necesidades del usuario, puede compensar el valor parcial y el factor de escala para reducir el impacto de la temperatura ambiente.
Número de pieza, :
AC-7Pedido (MOQ) :
1Serie de productos y parámetros
| Parámetros | AC-7A | AC-7B | AC-7C | Unidad |
| Rango | ± 60 | ± 60 | ± 60 | g |
| Valor umbral | 10 | 10 | 10 | μg |
| Desviación K0/K1 | ≤ ±10 | ≤ ±10 | ≤ ±10 | mg |
| Factor de escala K1 | 1,2 ±0,2 | 1,2 ±0,25 | 1,2 ±0,25 | revista |
| Coeficiente de no linealidad de clase II K2 | ≤ ±20 | ≤ ±20 | ≤ ±20 | μg/g2 |
| 0 g 4 horas de estabilidad a corto plazo | ≤20 | μg | ||
| 1 g, 4 horas de estabilidad en poco tiempo | ≤20 | ppm | ||
| Valor de desviación de la repetibilidad completa σK0 (1σ, un mes) | ≤ 40 | ≤ 40 | ≤ 40 | μg |
| Repetibilidad del factor de escala σK1/K1 (1σ, un mes) | ≤ 50 | ≤ 50 | ≤ 50 | ppm |
| Coeficiente de no linealidad de repetibilidad integral K2/K1 (1σ, un mes) | ≤ ±20 | ≤ ±20 | ≤ ±20 | μg/g2 |
| Coeficiente de temperatura del valor de desviación | ≤ ±30 | ≤ ±30 | ≤ ±30 | μg/℃ |
| Coeficiente de temperatura del factor de escala | ≤ ±50 | ≤ ±50 | ≤ ±50 | ppm/℃ |
| Ruido (resistencia de muestra 840 Ω) | ≤ 4 | ≤ 5 | ≤ 5 | mv |
| Frecuencia natural | 350 ~ 800 | Hz | ||
| Ancho de banda | 800 ~ 2500 | ≥ 350 | ≥ 350 | Hz |
| Vibración | 5g | 20~2000 Hz | ||
| Choque | 150 g (0,5 ms) | 150 g (5 ms) | 150 g (5 ms) | 1/2 pulgada |
| Rango de temperatura (de funcionamiento) | -40 ~ +85 | ℃ | ||
| Rango de temperatura (guardado) | -60 ~ +120 | ℃ | ||
| Fuente de alimentación | ±12 ~ ±15 | ±15 (±0,5) | ±12 ~ ±18 | V |
| Consumir corriente (en condiciones estáticas) | ≤ ±20 | ≤ ±100 | ≤ ±16 | mA |
| Tamaño | F18.2X23 | F18.2X23 | Ф18.2X20.6 | mm |
| Peso | ≤30 | g | ||
Proceso de producción
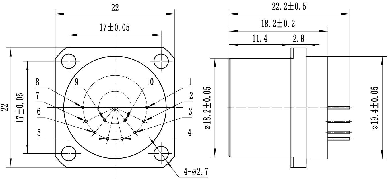
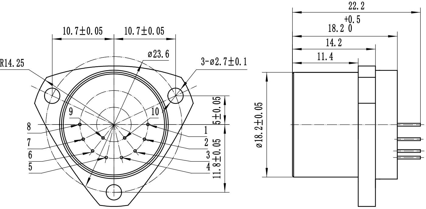
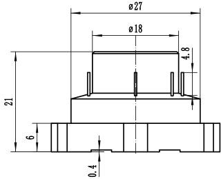
Dimensión del producto
AC-7A y AC-7B

Esquema 1 para cuadrado

Esquema 2 para triángulo

Esquema 3 para triángulo invertido

Esquema para cuadrado
Escenarios de aplicación



Preguntas frecuentes
Xml política de privacidad blog Mapa del sitio
Derechos de autor
@ Micro-Magic Inc Reservados todos los derechos.
RED SOPORTADA