Interruptor de inclinación de doble eje T70-K, salida de 4 direcciones y 4 vías, precisión de 0,2°, Modbus RTU, sensor industrial IP67
El T70-K es un interruptor de ángulo de inclinación de 4 vías y 4 ejes de doble eje, desarrollado en el país, para módulos de medición de ángulo de inclinación de componentes. Adopta el protocolo RTU Modbus y sus componentes internos, incluyendo el procesador MCU, la unidad de inclinación MEMS, el circuito de alimentación y el circuito de salida, son de fabricación nacional. Su objetivo es fabricar equipos de producción nacional y superar las barreras para la investigación y el desarrollo tecnológico independientes.
Número de pieza, :
T70-KPedido (MOQ) :
1Series de productos y parámetros
| Parámetro | Condiciones | T70-K | Unidad |
| Rango de medición | ±90 | ° | |
| Eje de medición | Ejes X e Y | ||
| Eje Alam | Ejes X e Y | ||
| Respuesta en frecuencia | Respuesta de CC | 100 | Hz |
| Exactitud | -40~85℃ | 0,2 | ° |
| Estabilidad a largo plazo | -40~85℃ | <0,3 | ° |
| Tiempo de inicio del encendido | 0,5 | s | |
| Señal de salida | Salida conmutada (de voltaje), RS232 y TTL opcionales, RS485 personalizable. | ||
| Salida de relé (normalmente abierta y normalmente cerrada), RS232 y TTL opcionales, RS485 personalizable. | |||
| Horas de trabajo promedio | ≥35000 horas/tiempo | ||
| Resistencia al impacto | 2450 g, 0,5 ms, 3 veces/eje | ||
| Antivibración | 10 gramos, 10-1000 Hz | ||
| Resistencia de aislamiento | ≥100 MΩ | ||
| Nivel de impermeabilidad | IP67 | ||
| Cable | Cable blindado estándar de 1,5 metros de longitud, resistente al desgaste, a prueba de aceite y de amplio rango de temperatura, 8*0,3 mm². | ||
| Peso | 110 g (sin incluir la caja de embalaje) | ||
proceso de producción
Más productos similares

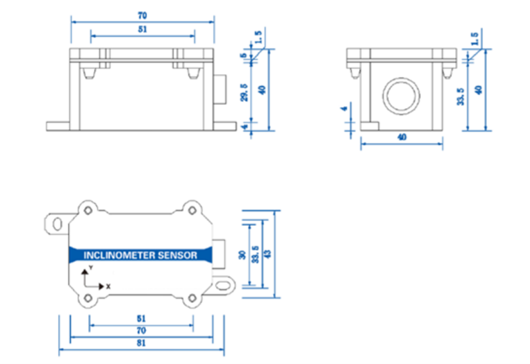
Dimensiones del producto

Dimensiones del producto: 70 mm de largo x 40 mm de ancho x 40 mm de alto.
Escenarios de aplicación



Preguntas frecuentes
Xml política de privacidad blog Mapa del sitio
Derechos de autor @ Micro-Magic Inc Reservados todos los derechos.
RED COMPATIBLE