Acelerómetro de cuarzo de alta precisión ± 70 g para pruebas estáticas y dinámicas. Sensor de navegación inercial AC-2.
AC-2 acelerómetro flexible de cuarzo La serie 1000 es un acelerómetro de navegación inercial militar de alta precisión con excelente estabilidad a largo plazo, repetibilidad, rendimiento de arranque, adaptabilidad ambiental y alta confiabilidad. Puede utilizarse tanto para pruebas estáticas como dinámicas, y también es un sensor de vibración y de inclinación estándar. La corriente de salida del producto tiene una relación lineal con la fuerza o aceleración recibida. Los usuarios pueden seleccionar la resistencia de muestreo adecuada mediante cálculo para lograr una salida de alta precisión. Además, según las necesidades del usuario, incorpora un sensor de temperatura integrado que se utiliza para compensar el valor de compensación y el factor de escala, reduciendo el impacto de la temperatura ambiental.
Número de pieza, :
AC-2Pedido (MOQ) :
1Serie de productos y parámetros
| Parámetros | AC-2A | AC-2B | AC-2C | Unidad |
| Rango (40 ohmios) | ±70 | g | ||
| Umbral/Resolución | 2 | 3 | 4 | μg |
| Sesgo K0/K1 | ≤ ±3 | ≤ ±3 | ≤ ±5 | mg |
| Factor de escala K1 | 0,8 ~ 1,20 | revista | ||
| Coeficiente de no linealidad de clase II k2/k1 | ≤ ±10 | ≤ ±15 | ≤ ±20 | μg/g2 |
| 0 g 4 horas de estabilidad a corto plazo | ≤10 | ≤15 | ≤20 | μg |
| 1 g, 4 horas de estabilidad en poco tiempo | ≤10 | ≤15 | ≤20 | ppm |
| Deriva de sesgo Sigma K0 (1σ, un mes) | ≤10 | ≤20 | ≤30 | μg |
| Repetibilidad del factor de escala Sigma σK1/K1 (1σ, un mes) | ≤15 | ≤30 | ≤50 | ppm |
| No linealidad de clase II Coeficiente de repetibilidad σK2/K1 (1σ, un mes) | ≤ ±10 | ≤ ±20 | ≤ ±30 | μg/g2 |
| Coeficiente térmico de polarización | ≤ ±10 | ≤ ±30 | ≤ ±50 | μg/℃ |
| Coeficiente térmico del factor de escala | ≤ ±20 | ≤ ±30 | ≤ ±50 | ppm/℃ |
| Ruido (resistencia de muestra 840 Ω) | ≤5 | mv | ||
| Frecuencia natural | 400 ~ 800 | Hz | ||
| Ancho de banda | 800 ~ 2500 | Hz | ||
| Vibración | 6g | 20~2000 Hz | ||
| Choque | 100 gramos | 8 ms, 1/2 s en | ||
| Rango de temperatura (de funcionamiento) | -55 ~ +85 | ℃ | ||
| Rango de temperatura (guardado) | -60 ~ +120 | ℃ | ||
| Fuerza | ±12 ~ ±15 | V | ||
| Consumir corriente | ≤ ±20 | mA | ||
| Sensor de temperatura | Opcional | |||
| Tamaño | Ф25.4X30 | mm | ||
| Peso | ≤80 | g | ||
Proceso de producción
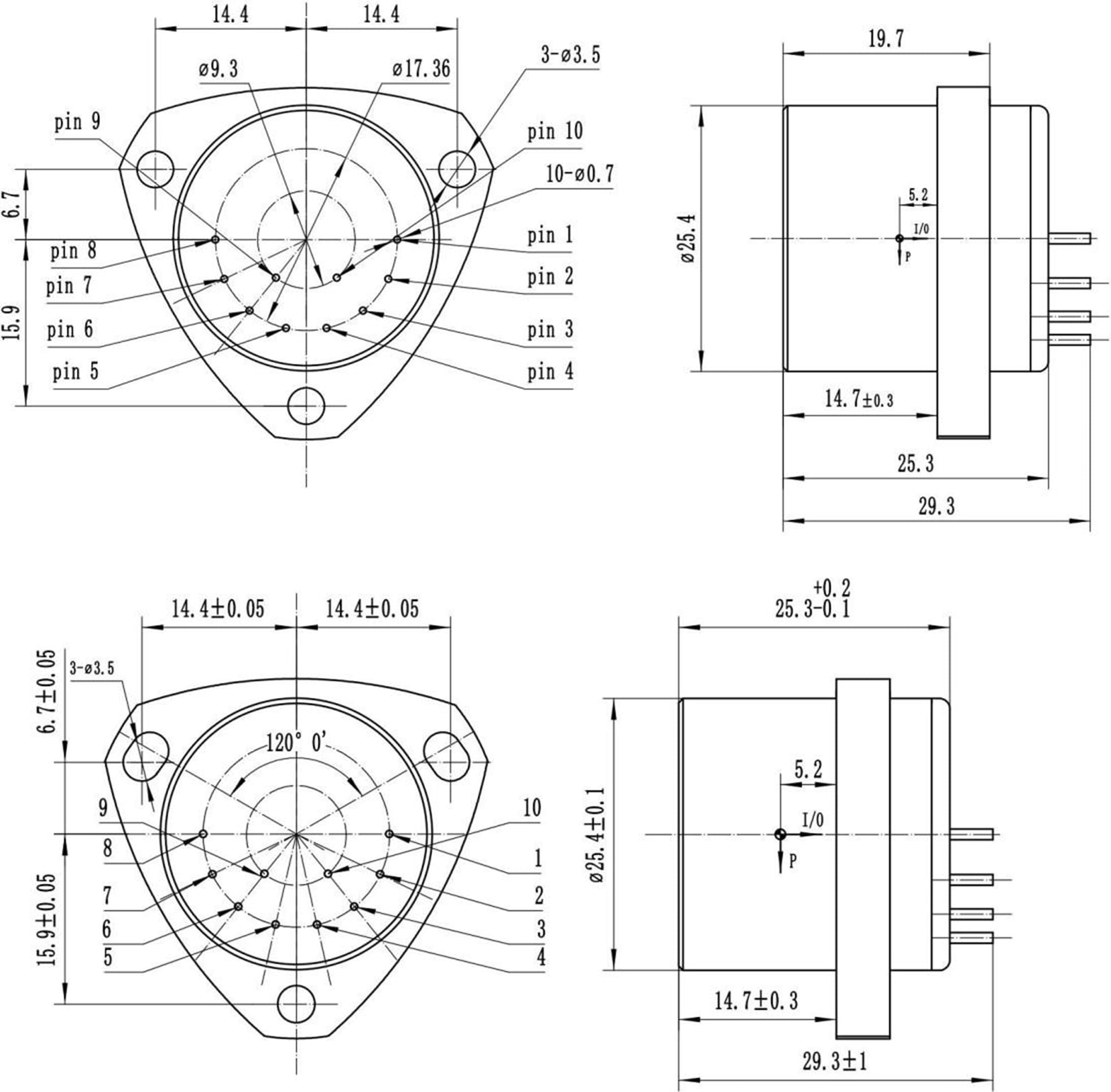
Dimensión del producto

Escenarios de aplicación



Preguntas frecuentes
Xml política de privacidad blog Mapa del sitio
Derechos de autor
@ Micro-Magic Inc Reservados todos los derechos.
RED SOPORTADA